内页图
noticias
Casa noticias Solución de control de velocidad de frecuencia variable para bombas de varilla de succión VFD de V&T

Solución de control de velocidad de frecuencia variable para bombas de varilla de succión VFD de V&T

  • December 16, 2025

Se han adoptado tres enfoques para la modernización del control de velocidad de frecuencia variable de las bombas de varillas de succión


1. Variador de frecuencia (VFD) con control de unidad de frenado


Al añadir una resistencia de frenado y una unidad de frenado a ambos extremos del bus de CC del circuito principal del VFD (este método ofrece una alta relación coste-eficacia), debido a la necesidad de un alto par durante el arranque y la fase de ascenso de la bomba de varilla de succión, así como durante la fase de descenso, el motor genera energía. La fase de descenso es la más crítica, ya que es un proceso de operación continua que ajusta el movimiento alternativo por minuto según la viscosidad del petróleo, la profundidad del pozo y la tasa de producción. Esto provoca que el motor entre en un estado de generación de energía regenerativa, devolviendo el exceso de energía a la red eléctrica, lo que aumenta la tensión en el bus de CC del circuito principal del VFD. Sin una ruta para que la energía eléctrica fluya de vuelta a la red, debe disiparse localmente mediante resistencias. Por ello, es fundamental utilizar una unidad de frenado y una resistencia de frenado en el VFD, y los VFD de alta potencia de nuestra empresa pueden incorporar unidades de frenado, logrando así el efecto de control deseado.

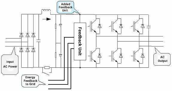
2.VFD con control de unidad de retroalimentación regenerativa


Se agrega una unidad de retroalimentación regenerativa al circuito de CC del VFD para devolver a la red la energía eléctrica generada durante el estado regenerativo (generación de energía) del motor.

3. Control inteligente automático VFD: no requiere unidad de frenado ni unidad de retroalimentación regenerativa


En general, no se requiere unidad de frenado ni unidad de retroalimentación regenerativa. El VFD puede ajustar automáticamente su funcionamiento según las condiciones de trabajo de la unidad de bombeo de vigas, lo que resulta en un menor costo del sistema, mayor confiabilidad, menor contaminación armónica y mejor adaptabilidad a las variaciones de voltaje de operación.


Control de dos ubicaciones para el sistema de control de velocidad de frecuencia variable

Según los requisitos, cada armario de control de velocidad de frecuencia variable está equipado con un variador de frecuencia (VFD), que controla automáticamente el motor en modo de velocidad de lazo abierto. El armario de control cuenta con un conmutador entre operación a frecuencia de línea (bypass) y a frecuencia variable, con tres posiciones: frecuencia de línea, frecuencia variable y parada, lo que garantiza una operación sencilla y cómoda.

Al cambiar al modo de frecuencia variable, el VFD funciona automáticamente. El ajuste de velocidad se realiza mediante la entrada de una señal analógica desde el potenciómetro del armario de control al terminal AI1 del VFD. Durante el funcionamiento, parámetros como corriente, tensión, potencia y frecuencia se pueden visualizar directamente en la pantalla del VFD.

Para el control remoto de nivel superior, no se requiere conmutación: el VFD se puede iniciar y detener directamente, y su estado operativo y frecuencia de funcionamiento se pueden configurar remotamente. Los datos operativos actuales también se pueden copiar y exportar a la documentación.


Ventajas del producto:

  • Protección integral contra fallas externas, incluyendo cortocircuito, pérdida de fase, sobrecarga y desequilibrio de fase;
  • Diseño altamente integrado con alta confiabilidad y excelente relación costo-rendimiento;
  • Admite control remoto y local, equipado con capacidad de comunicación RS-485;
  • Armario tipo armario apto para instalación en exterior.




Derechos de autor © 2026 Shenzhen V&T Technologies Co.,Ltd.. Reservados todos los derechos. Poder por

Red IPv6 admitida

cima

dejar un mensaje

dejar un mensaje

    Si Usted está interesado en nuestros productos y desea saber más detalles, deje un mensaje aquí, le responderemos tan pronto como nosotros .. puedamos.

  • #
  • #
  • #